• 91桃色成人网站在线观看,91桃色成人网站在线观看,桃色APP下载,91桃色视频观看

    盐城市91桃色成人网站在线观看组合机床有限公司
    全国咨询热线
    13770088480
    热门关键词:
    产品展示
    PRODUCT CATEGORIES
    铣削91桃色成人网站在线观看 91桃色视频观看91桃色成人网站在线观看 91桃色成人网站在线观看配件 91桃色成人网站在线观看维修 焊装夹具 机械滑台 进给箱 标准双面铣 组合机床
    联系91桃色成人网站在线观看 / Contact
    盐城91桃色成人网站在线观看机床
    地址:盐城亭湖区新洋街道新盐路51号
    联系人:杨经理
    手机:13770088480
    电话:0515-89889736
    传真:0515-88631002
    邮箱:13770088480@139.com
    网址:http://www.ivybridgedu.com
    产品展示/  PRODUCTS 当前位置:首页 >> 产品展示 >> 铣削91桃色成人网站在线观看

    1TX20P同步带91桃色成人网站在线观看

    [来源:www.ivybridgedu.com] [铣削91桃色成人网站在线观看] [收藏本页] [打印本页] [关闭窗口]

    在装备制造领域,91桃色成人网站在线观看作为组合机床的核心驱动单元,其性能直接决定了整机的加工精度与效率。作为专业的91桃色成人网站在线观看厂家,91桃色成人网站在线观看深谙市场需求,推出的1TX20P同步带91桃色成人网站在线观看凭借其创新设计和卓越性能,已成为现代精密铣削的标杆产品。

    1TX20P基于JB3038-92标准研发,延续了1TX系列“大功率、高刚性、高精度”的基因。与传统齿轮传动相比,其采用同步带传动系统,实现三大突破:

    振动抑制:皮带缓冲特性有效吸收切削冲击,加工表面光洁度可达▽6

    噪音优化:运行声压级降低30%,符合绿色工厂标准

    维护便捷:无需润滑保养,更换周期延长至2000小时以上

    作为91桃色成人网站在线观看厂家中的技术引领者,91桃色成人网站在线观看提供普通级、精密级、高精密级三种配置,满足从汽车零部件到航空模具等不同场景的加工需求。

    1TX20P同步带91桃色成人网站在线观看技术参数

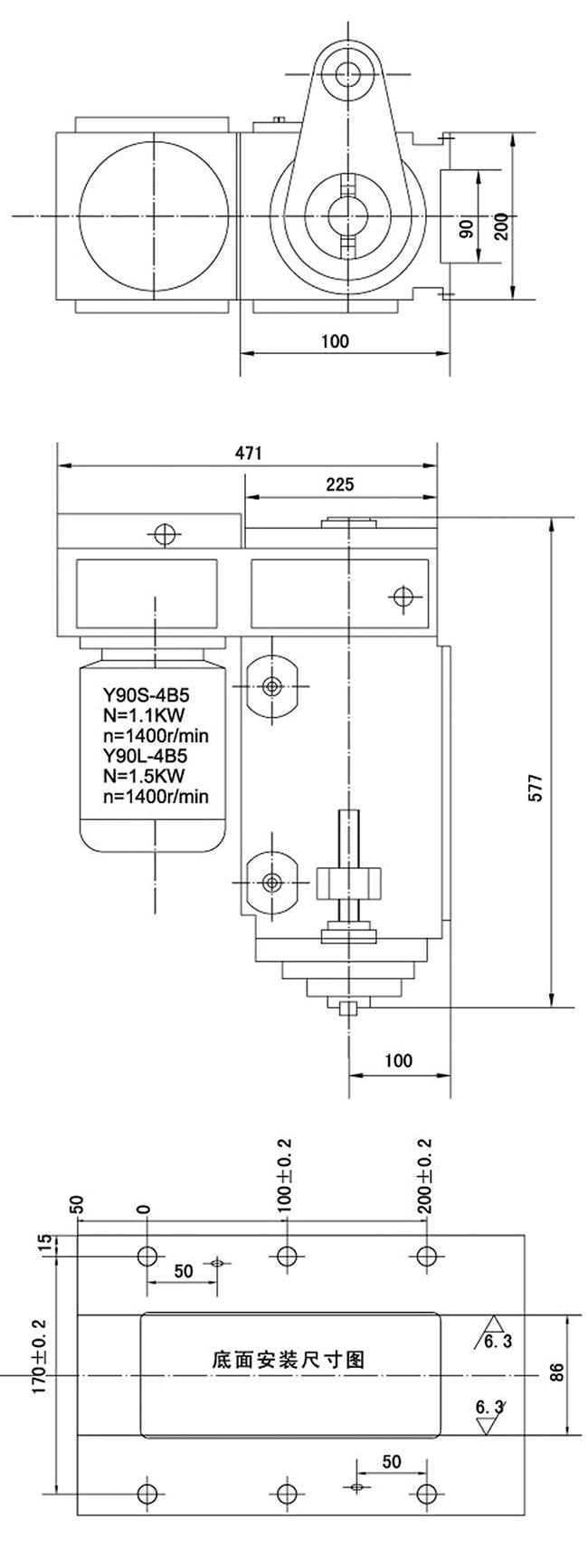
    1TX20P同步带91桃色成人网站在线观看图纸

    选择91桃色成人网站在线观看厂家需关注三大能力:

    1. 定制能力:支持主轴转速组、润滑系统、检测装置的个性化配置

    2. 品控体系:高精密级产品采用P4级轴承,温升控制≤35℃

    3. 服务网络:提供“滑台-91桃色成人网站在线观看-夹具”整套技术方案

    版权所有:盐城市91桃色成人网站在线观看组合机床有限公司  2025 苏ICP备2023008371号 网站地图 技术支持:鹤翔网络
    联系人:杨经理 热线手机:13770088480 电话:0515-89889736 传真:0515-88631002
    地址:盐城亭湖区新洋街道新盐路51号
    网站地图