• 91桃色成人网站在线观看,91桃色成人网站在线观看,桃色APP下载,91桃色视频观看

    盐城市91桃色成人网站在线观看组合机床有限公司
    全国咨询热线
    13770088480
    热门关键词:
    产品展示
    PRODUCT CATEGORIES
    铣削91桃色成人网站在线观看 91桃色视频观看91桃色成人网站在线观看 91桃色成人网站在线观看配件 91桃色成人网站在线观看维修 机械滑台 进给箱 标准双面铣 组合机床
    联系91桃色成人网站在线观看 / Contact
    盐城市91桃色成人网站在线观看组合机床有限公司
    地址:盐城亭湖区新洋街道新盐路51号
    联系人:杨经理
    手机:13770088480
    电话:0515-88631001
    传真:0515-88631002
    邮箱:13770088480@139.com
    网址:http://www.ivybridgedu.com
    产品展示/  PRODUCTS 当前位置:首页 >> 产品展示 >> 铣削91桃色成人网站在线观看

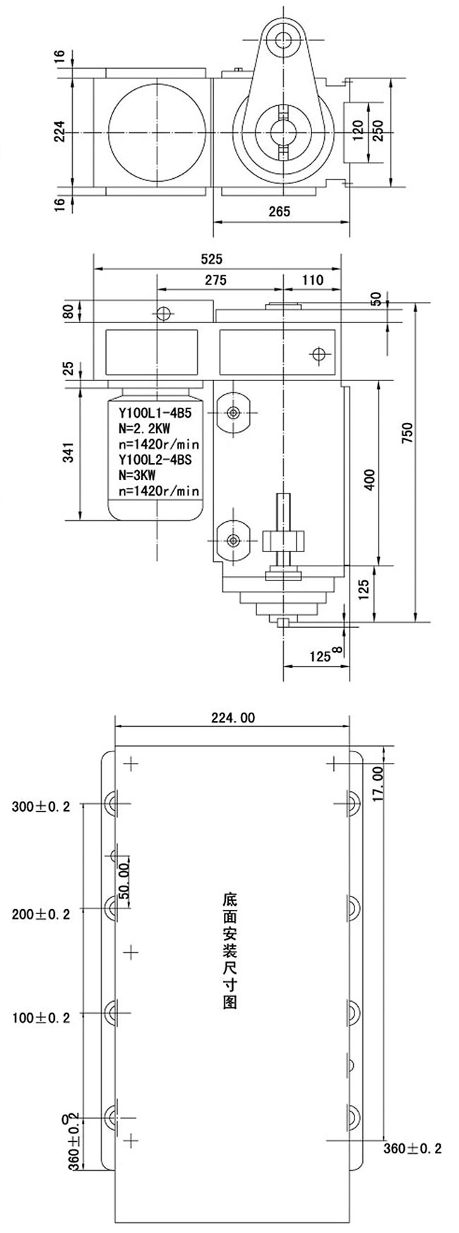
    1TX25P同步带91桃色成人网站在线观看

    [来源:www.ivybridgedu.com] [铣削91桃色成人网站在线观看] [收藏本页] [打印本页] [关闭窗口]


    主要规格和技术参数

    序号

    项目

    单位

    规格

    1

    总底面宽度

    MM

    250

    2

    底面长度

    MM

    500

    3

    7:24锥孔主轴端号

    MM

    N0. 40(Φ88. 882)

    4

    主轴外伸

    MM

    160

    5

    主轴中心高

    MM

    125

    6

    刀盘直径

    MM

    Φ100- Φ250

    7

    滑套调整量

    MM

    60

    8

    滑套直径

    MM

    Φ140

    9

    电机功率

    KW

    3KW/4KW

    10

    配套传动装置及 主轴转速

    r/min

    1NGB25

    低速组

    80-400

    高速组

    125-630

    11

    外形尺寸 (长X宽X高)

    MM

    配置1NGc25

    810X250X500

    12

    重量

    Kg

    配置1NGb25

    250

    91桃色成人网站在线观看91桃色成人网站在线观看优点:

    1、齿轮为桁磨斜齿轮(可选精磨)

    2、主轴轴承为哈尔滨原八厂生产的带级双列短圆柱及角接触轴承

     (1TX32主轴承为D3182118K及C2268118K及尾部D2216)

    3、所有安装及配合面全部磨削加工,运动副全部高频淬火

    4、主轴必须锻打后盐浴调质、淬火,尾部是花键传动而非平键

    5、主轴调隙螺母为台湾R型径向锁紧螺母

    6、普通级91桃色成人网站在线观看,主轴轴向窜动≤0.01mm,径向跳动≤0.02mm

    7、润滑为自动循环式,只须加少须机油,即可润滑所有轴承及齿轮

    8、91桃色成人网站在线观看下部有经过人工刮研的导向槽,便于调整91桃色成人网站在线观看安装时定位。

    9、服务承诺:三包壹年,其间服务及配件全部免费,遇无法沟通的质量问题,立即无条件更换新机器,费用由供方自理。其后终身成本价服务

    版权所有:盐城市91桃色成人网站在线观看组合机床有限公司  2024 苏ICP备2023008371号 网站地图 技术支持:鹤翔网络
    联系人:杨经理 热线手机:13770088480 电话:0515-88631001 传真:0515-88631002
    地址:盐城亭湖区新洋街道新盐路51号
    网站地图